スピーカー(放送設備)

小口径天井スピーカー

SB-X83

8cmタイプ(1W/3W) 小口径の天井埋込型。施工性に配慮した構造設計を実現。

小口径天井スピーカー

SB-X83

希望小売価格  9,000円(税抜き)



主な特長

小口径の天井埋込型。施工性に配慮した構造設計を実現。

小口径

天井穴φ100mmにより、取付後も目立つことなく意匠的にもスマートな見栄え。スピーカーを小型化しつつも出力音圧レベル92dB/W(1m)※1、非常放送用スピーカー種別L級を実現しています。

※1:詳細は主な仕様の通り


運搬、設置施工に配慮

多数設置の際も運搬しやすい、10個入のコンパクトな集合 梱包です(端数でのご発注も対応可能)。また、天井穴が小さくても優れた作業性を実現しています。


業界最薄※2 フラットデザインのスピーカーパネル(別売)

φ112mmの小口径、天井面露出部3.5mmの薄型フラットデザイン。天井に据え付けても目立たず違和感がありません。パネル部は、アルミパンチング素材の白と黒、アルミエキスパンド素材の白をご用意しています。

※2:8cmタイプ用スピーカーパネル(2020年10月 当社調べ)


小スペースな天井裏への設置が可能

筐体形状、接続端子台、切替スイッチの取付け向き、基板などの配置を工夫し、天井裏の必要高さを55mmに抑えることができました※3

※3:天井穴開口径φ100mm、天井板厚み9.5mm以下の場合


主な仕様

スピーカーユニット

8cmコーン型

定格入力

1W(10kΩ)、3W(3.3kΩ)

出力音圧レベル

92dB/W(1m)(600Hz~6kHz、ピンクノイズ時)

周波数特性

150Hz~20kHz、偏差20dB

入力インピーダンス

10kΩ(1W)、3.3kΩ(3W)

入力端子

ワンタッチ2分岐式送り端子

使用温度範囲

-10℃~50℃

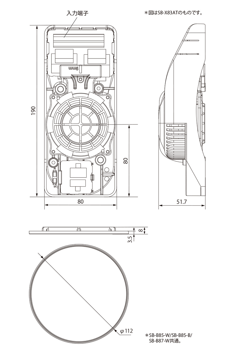
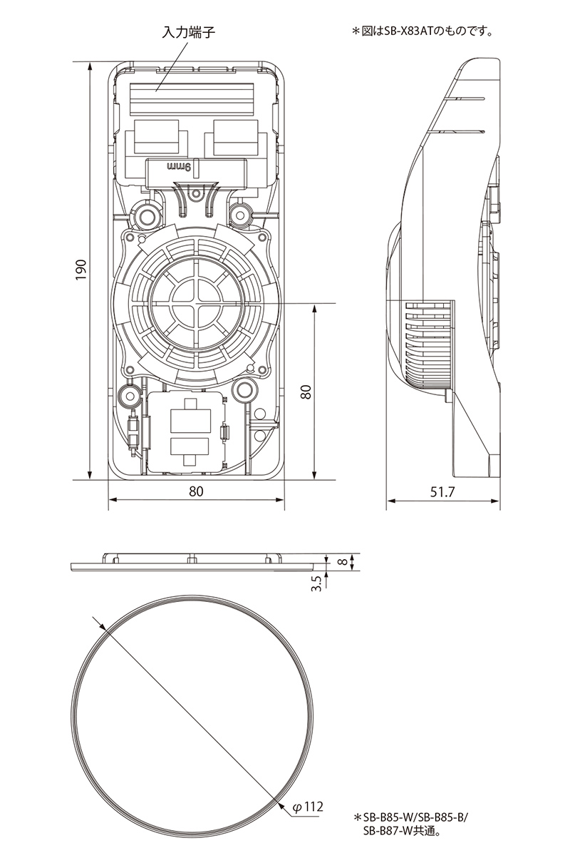
外形寸法

幅190mm×高さ51.7mm×奥行80mm(スプリング金具含まず)

質量

約0.55kg

仕上

黒色モールド成型

適合天井厚

5mm~25mm

天井穴開口寸法

φ100mm±2mm

パネル取付方式

スプリングキャッチ式

天井裏必要高さ

55mm(天井板厚が9.5mmの場合)


スピーカーパネル

SB-B85-W/SB-B85-B/SB-B87-W

取付方法 スプリングキャッチ式
外形寸法 φ112mm×8mm(天井面露出部:3.5mm)
質量 約0.02kg
材質 フレーム:ABS樹脂、パネル:アルミ*
仕上
(フレーム/パネル)
SB-B85-W/B87-W:白色塗装(マンセルN9.3近似色)、
SB-B85-B:黒色塗装(マンセルN1.0近似色)

*SB-B85-W/Bはアルミパンチング、SB-B87-Wはアルミエキスパンド


外形寸法図(単位:mm)


お問い合わせ

各種ダウンロード